新棟建設工事のお知らせ(令和8年3月19日更新)
新棟建設に関わる工事や通行制限等のお知らせを掲載します。
停電のお知らせ(令和8年4月~5月)
新棟の電源を既存の病院の電源から分岐するため、院内の一部を停電させ分岐作業を実施します。
ご迷惑をお掛けしますが、ご理解、ご協力をお願いします。
ご迷惑をお掛けしますが、ご理解、ご協力をお願いします。
【停電日時】
①令和8年4月19日(日)午前10時30分~午後4時
②令和8年4月26日(日)午前10時30分~午後4時
③令和8年5月10日(日)午前10時30分~午後4時
④令和8年5月24日(日)午前10時30分~午後4時
⑤令和8年5月31日(日)午前11時~午後3時
※作業の進捗により日時が変更になることがあります。
②令和8年4月26日(日)午前10時30分~午後4時
③令和8年5月10日(日)午前10時30分~午後4時
④令和8年5月24日(日)午前10時30分~午後4時
⑤令和8年5月31日(日)午前11時~午後3時
※作業の進捗により日時が変更になることがあります。
【停電範囲】
1階~3階の一部
※病棟(4階~8階)は停電しません。(停電日時⑤は4階の一部の空調が停止します。)
※病棟(4階~8階)は停電しません。(停電日時⑤は4階の一部の空調が停止します。)
【診療など】
救急診療などは通常どおり行いますが 、一部医療機器が停止することにより、通常より診察に時間が掛かることがあります。
緊急を要しない場合は、近隣の休日診療所を受診してください。
●休日診療所
・掛川市:小笠掛川救急診療所ホームページ(外部リンク)
・袋井市:袋井市休日急患診療室 ホームページ(外部リンク)
緊急を要しない場合は、近隣の休日診療所を受診してください。
●休日診療所
・掛川市:小笠掛川救急診療所ホームページ(外部リンク)
・袋井市:袋井市休日急患診療室 ホームページ(外部リンク)
【コンビニ・レストラン】
●コンビニ
停電日時①~④ 終日休業
停電日時⑤ 通常 営業
●レストラン
定休日
※レストランは令和8年4月から外来休診日は定休日です。
停電日時①~④ 終日休業
停電日時⑤ 通常 営業
●レストラン
定休日
※レストランは令和8年4月から外来休診日は定休日です。
【敷地内薬局(アイン薬局)】
通常営業 午前8時30 分~午後11時
【院内設備】
停電中の院内設備の状況は次のとおりです。
●院内の照明・・・一部の照明が消灯します。
●エスカレーター
停電日時①~④ 停止
停電日時⑤ 通常運転
●エレベーター
停電日時①~④ 通常運転
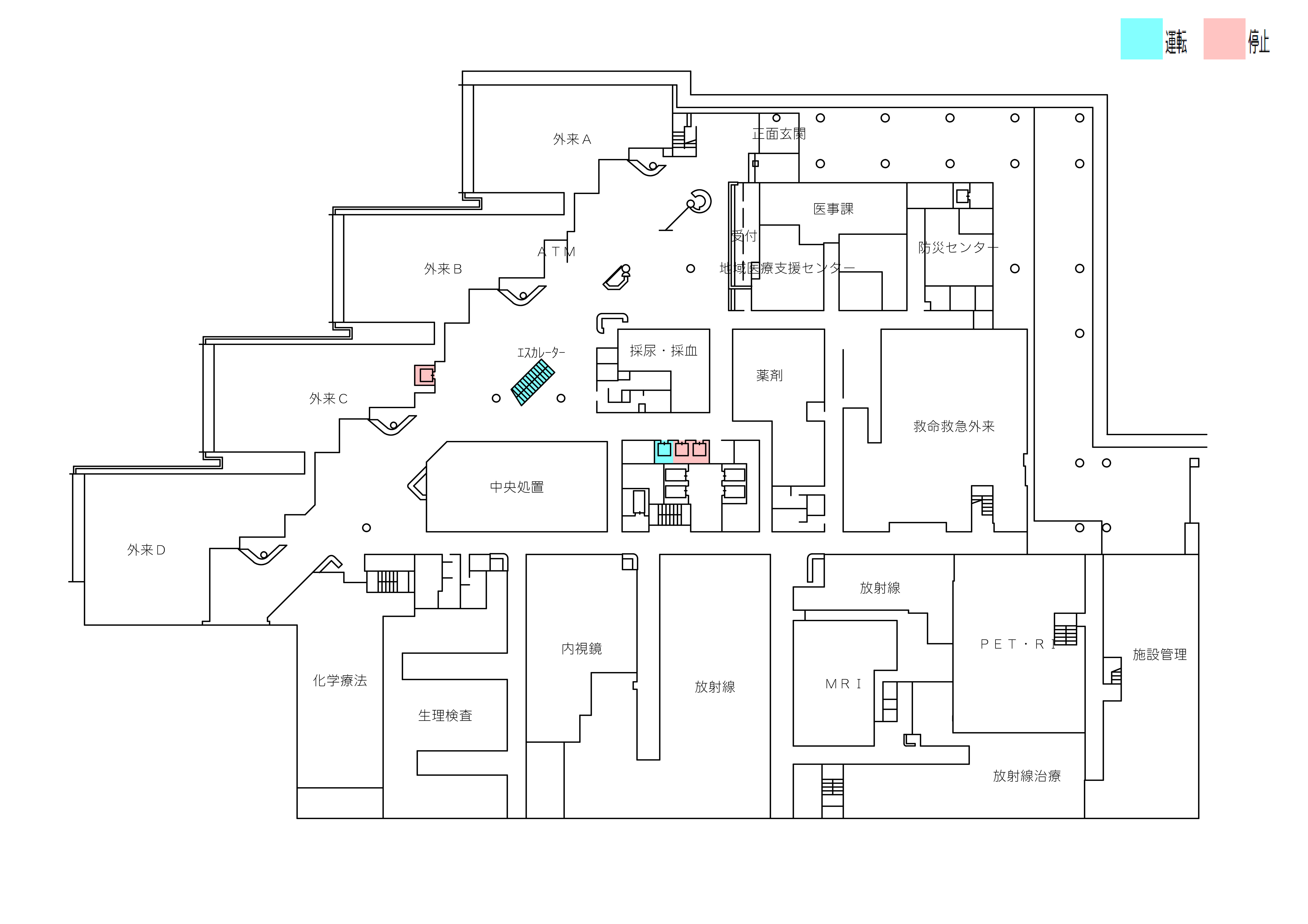
停電日時⑤ 図のとおり一部のエレベーターが停止します。
エレベーターの停止により病棟への往来に時間が掛かることがありますので、あらかじめご了承ください。
●院内の照明・・・一部の照明が消灯します。
●エスカレーター
停電日時①~④ 停止
停電日時⑤ 通常運転
●エレベーター
停電日時①~④ 通常運転
停電日時⑤ 図のとおり一部のエレベーターが停止します。
エレベーターの停止により病棟への往来に時間が掛かることがありますので、あらかじめご了承ください。
■エレベーター運転状態
停電日時⑤(5月31日(日))
停電日時⑤(5月31日(日))
●トイレ
停電日時①~④ 使用可能(ウォシュレットは使用できません)
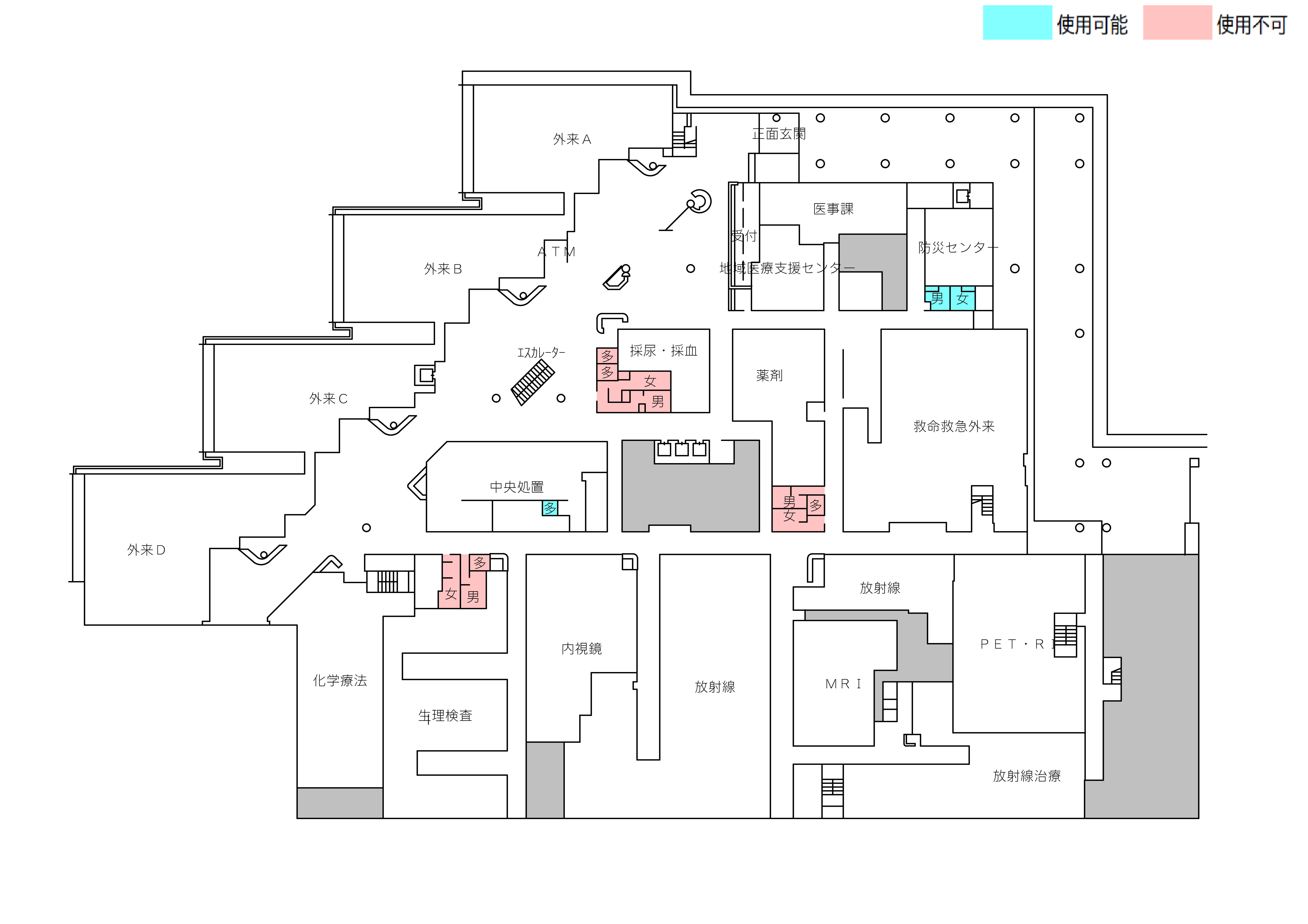
停電日時⑤ 一部のトイレが使用できなくなります。
使用できるトイレは案内図でご確認ください。
停電日時①~④ 使用可能(ウォシュレットは使用できません)
停電日時⑤ 一部のトイレが使用できなくなります。
使用できるトイレは案内図でご確認ください。
■トイレ案内図
停電日時⑤(5月31日(日))
停電日時⑤(5月31日(日))
仮設道路設置工事の実施について
新棟建設工事に伴い、次のとおり仮設道路設置工事を実施します。
ご不便をお掛けしますが、工事の円滑な施工にご協力をお願いします。
ご不便をお掛けしますが、工事の円滑な施工にご協力をお願いします。
工事期間
令和7年4月14日(月)から令和7年4月30日(水)
●工事期間中は、午前8時30分から午後5時まで片側交互通行、歩行者は新棟完成まで通行不可となります。
●工事期間中は、午前8時30分から午後5時まで片側交互通行、歩行者は新棟完成まで通行不可となります。
工事内容
仮設道路の設置工事
●新棟工事用仮囲い設置により、南北駐車場間の道路が通行できなくなるため、仮囲い設置前に、仮設道路を設置します。
●新棟工事用仮囲い設置により、南北駐車場間の道路が通行できなくなるため、仮囲い設置前に、仮設道路を設置します。
工事概要図








